平成15年度、電験三種理論の問題をまとめました。
実際の問題文とは一部表記が違う箇所もあります。ご了承ください。
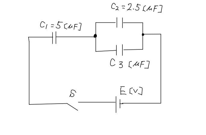
問1:静電気

図のように、静電容量 C1、C2 及び C3 のコンデンサが接続されている回路がある。スイッチ S が開いているとき、各コンデンサの電荷は、すべて零であった。スイッチ S を閉じると、C1 = 5 [μF] のコンデンサには 3.5 × 10^-4 [C] の電荷が、C2 = 2.5 [μF] のコンデンサには 0.5 × 10^-4 [C] の電荷が充電された。静電容量 C3 [μF] の値として、正しいのは次のうちどれか。
(1) 0.2 (2) 2.5 (3) 5 (4) 7.5 (5) 15
回答
(5)


問2:静電気

真空中において、一辺 l [m] の正方形電極を間隔 d [m] で配置した平行板コンデンサがある。図1はこのコンデンサの電極板間に比誘電率 εr = 3 の誘電体を挿入した状態、図2は図1の誘電体を電極面積の 1/2 だけ引き出した状態を示している。図1及び図2の二つのコンデンサの静電容量 C1 [F] 及び C2 [F] の比 (C1 : C2) として、正しいのは次のうちどれか。
ただし、l >> d であり、コンデンサの端効果は無視できるものとする。
(1) 2 : 1 (2) 3 : 1 (3) 3 : 2 (4) 4 : 3 (5) 5 : 4
回答
(3)
問3:磁気

図のように、A、B 2本の平行な直線導体があり、導体Aには 1.2 [A] の、導体Bにはそれと反対方向に 3 [A] の電流が流れている。導体AとBの間隔が l [m] のとき、導体Aより 0.3 [m] 離れた点Pにおける合成磁界が零になった。l [m] の値として、正しいのは次のうちどれか。
ただし、導体A、Bは無限長とし、点Pは導体A、Bを含む平面上にあるものとする。
(1) 0.24 (2) 0.45 (3) 0.54 (4) 0.75 (5) 1.05
回答
(2)
問4:磁気

図のように、環状鉄心にコイル1及びコイル2が巻かれている。コイル1、コイル2の自己インダクタンスをそれぞれ L1、L2 とし、その巻数をそれぞれ N1 = 100、N2 = 1000 としたとき、L1 = 1 × 10^-3 [H] であった。このとき、自己インダクタンス L2 [H] の値と、コイル1とコイル2の相互インダクタンス M [H] の値として、正しいものを組み合わせたのは次のうちどれか。
ただし、鉄心は等断面、等質であり、コイル及び鉄心の漏れ磁束は無いものとする。
(1) L2:1 × 10^-1 [H]、M:1 × 10^-2 [H]
(2) L2:1 × 10^-1 [H]、M:1 × 10^-3 [H]
(3) L2:1 × 10^-2 [H]、M:1 × 10^-2 [H]
(4) L2:1 × 10^-2 [H]、M:1 × 10^-3 [H]
(5) L2:1 × 10^-4 [H]、M:1 × 10^-4 [H]
回答
(1)
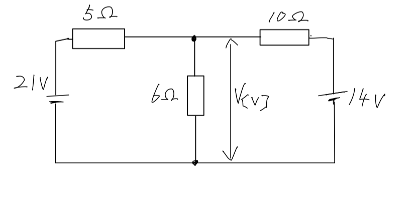
問5:直流回路

図のような直流回路において、抵抗 6 [Ω] の端子間電圧の大きさ V [V] の値として、正しいのは次のうちどれか。
(1) 2 (2) 5 (3) 7 (4) 12 (5) 15
回答
(4)
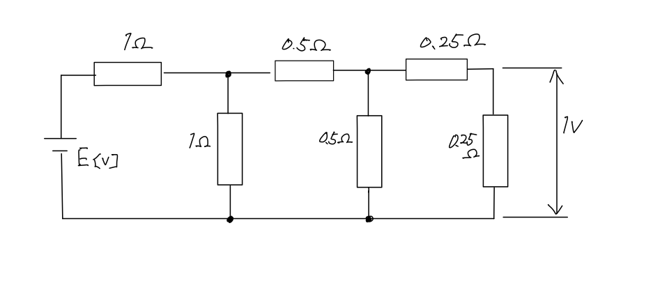
問6:直流回路

図のような直流回路において、電源電圧が E[V]であったとき、末端の抵抗の端子間電圧の大きさが 1[V]であった。このときの電源電圧 E[V]の値として、正しいのは次のうちどれか。
(1)34
(2)20
(3)14
(4)6
(5)4
回答
(2)
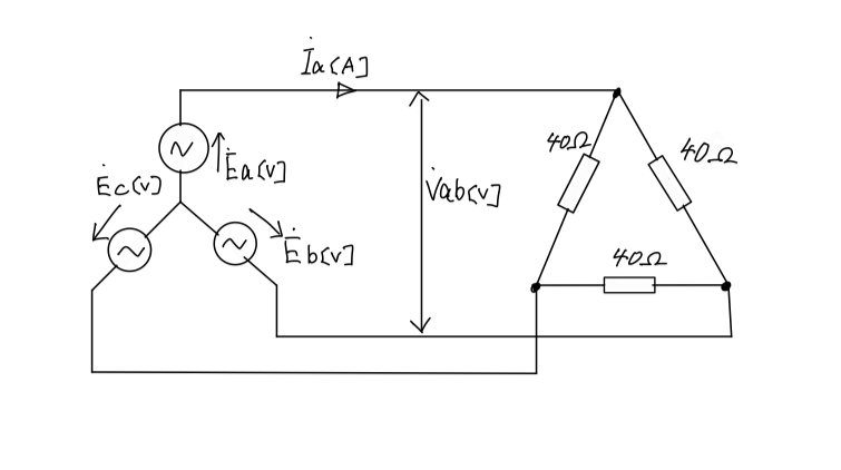
問7:三相交流

図の対称三相交流電源の各相の電圧は,それぞれ Ea=200∠0[V],Eb=200∠−2π/3[V],Ec=200∠−4π/3[V]である。この電源には,抵抗40[Ω]をΔ結線した三相平衡負荷が接続されている。このとき,線間電圧 Vab[V]の大きさと線電流 Ia[A]の大きさ(スカラ量)の組合せとして,最も近いものは次のうちどれか。
(1)Vab=283[V],Ia=5[A]
(2)Vab=283[V],Ia=8.7[A]
(3)Vab=346[V],Ia=8.7[A]
(4)Vab=346[V],Ia=15[A]
(5)Vab=400[V],Ia=15[A]
回答
(4)
問8:単相交流

図1のように,R[Ω]の抵抗,インダクタンス L[H]のコイル及び静電容量 C[F]のコンデンサを並列に接続した回路がある。この回路に正弦波交流電圧 e[V]を加えたとき,この回路の各素子に流れる電流 iR[A],iL[A],iC[A]と e[V]の時間変化はそれぞれ図2のようであり,それぞれの電流の波高値は iR=10[A],iL=15[A],iC=5[A]であった。このとき,回路に流れる電流 i[A]の電圧 e[V]に対する位相として正しいのは次のうちどれか。
(1)30°遅れる
(2)30°進む
(3)45°遅れる
(4)45°進む
(5)90°遅れる
回答
(3)
問9:直流回路

図1のような静電容量 C[F]のコンデンサと抵抗 R[Ω]の直列回路に,図2のような振幅 E[V],パルス幅 T0[s]の方形波電圧 vi[V]を加えた。このときの抵抗 R の端子間電圧 vR[V]の波形として,正しいのは次のうちどれか。ただし,図1の回路の時定数 RC[s]は T0[s]より十分小さく(RC ≪ T0),電源の内部インピーダンス及びコンデンサの初期電荷は零とする。
回答
(1)
問10:その他
バイポーラトランジスタと電界効果トランジスタ(FET)に関する記述として、誤っているのは次のうちどれか。
(1) バイポーラトランジスタは、消費電力がFETより大きい。
(2) バイポーラトランジスタは電圧制御素子、FETは電流制御素子といわれる。
(3) バイポーラトランジスタの入力インピーダンスは、FETのそれよりも低い。
(4) バイポーラトランジスタのコレクタ電流は自由電子及び正孔の両方が関与し、FETのドレーン電流は自由電子又は正孔のどちらかが関与する。
(5) バイポーラトランジスタは、静電気に対してFETより破壊されにくい。
回答
(2)
問11:その他

図のように、真空中に電極間隔 d[m] の平行板電極があり、陰極板上に電子を置いた。陽極板に電圧 V[V] を加えたとき、この電子に加わる力 F[N] の式として、正しいのは次のうちどれか。ただし、電子の質量を m[kg]、電荷の絶対値を e[C] とする。また、電極板の端効果は無視できるものとする。
(1) (V² / d) e
(2) (V / d²) e m
(3) (V / d²) m / e
(4) (V / d²) e
(5) (V / d) e
回答
(5)
問12:その他

図1は、変成器を用いたB級プッシュプル(push-pull)電力増幅回路の原理図である。図1中の空白箇所(ア)、(イ)及び(ウ)に当てはめる図記号を図2の図記号の記号a〜jの中から選ぶとき、正しいものを組み合わせたのは次のうちどれか。
(1) f d i
(2) g a h
(3) e b j
(4) h c i
(5) f d h
回答
(1)
問13:計測

図のように、線間電圧200[V]の対称三相交流電源から三相平衡負荷に供給する電力を二電力計法で測定する。2台の電力計W1及びW2を正しく接続したところ、電力計W2の指針が逆振れを起こした。電力計W2の電圧端子の極性を反転して接続した後、2台の電力計の指示値は、電力計W1が490[W]、電力計W2が25[W]であった。このときの対称三相交流電源が三相平衡負荷に供給する電力[W]の値として、正しいのは次のうちどれか。ただし、三相交流電源の相回転はa,b,cの順とし、電力計の電力損失は無視できるものとする。
(1) 25
(2) 258
(3) 465
(4) 490
(5) 515
回答
(3)
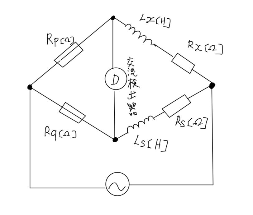
問14:計測

図は、破線で囲んだ未知のコイルのインダクタンスLx[H]と抵抗Rx[Ω]を測定するために使用する交流ブリッジ(マクスウェルブリッジ)の等価回路である。このブリッジが平衡した場合のインダクタンスLx[H]と抵抗Rx[Ω]の値として、正しいものを組み合わせたのは次のうちどれか。ただし、交流ブリッジが平衡したときの抵抗器の値はRp[Ω]、Rq[Ω]、標準コイルのインダクタンスと抵抗の値はそれぞれLs[H]、Rs[Ω]とする。
(1) Lx = (Rq / Rp) Ls Rx = (Rq / Rp) Rs
(2) Lx = (Rq / Rp) Ls Rx = (Rp / Rq) Rs
(3) Lx = (Rp / Rq) Ls Rx = (Rq / Rs) Rp
(4) Lx = (Rp / Rq) Ls Rx = (Rp / Rq) Rs
(5) Lx = (Rq / Rp) Ls Rx = (Rq / Rs) Rp
回答
(4)
問15:静電気

真空中において、それぞれ質量m[kg]、電荷+Q[C]の小さな球の帯電体A及びBがある。これらの帯電体をそれぞれ長さr[m]の糸で点Pからつるしたところ、図のように、帯電体A,Bの間隔がa[m]となって静止した。次の(a)及び(b)に答えよ。ただし、真空の誘電率はε0[F/m]、重力加速度はg[m/s²]とする。また、帯電体A及びBの直径はr[m]に比べて十分に小さく、糸の質量は無視できるものとする。
(a) 帯電体A,Bの間に働く力F[N]の大きさとして、正しいのは次のうちどれか。
(1) Q / (4π ε0 a)
(2) Q / (4π ε0 a²)
(3) Q² / (2π ε0 a)
(4) Q² / (2π ε0 a²)
(5) Q² / (4π ε0 a²)
(b) 帯電体A,Bの静止状態において、糸の鉛直線に対する傾きがθ[°]であったときに成立する式として、正しいのは次のうちどれか。
(1) Q² = 16π ε0 m g r² sin²θ tanθ
(2) Q² = (16π ε0 m g r² sin²θ) / tanθ
(3) Q² = (16π ε0 m g r² cos³θ) / sinθ
(4) Q² = 8π ε0 m g r² sin²θ tanθ
(5) Q² = 8π ε0 m g r² sinθ cosθ
回答
(5)-(1)
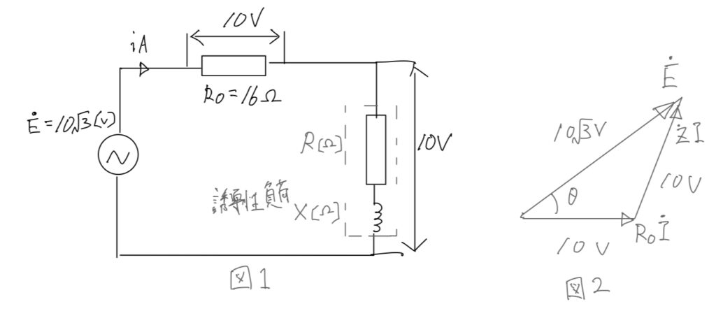
問16:三相交流

図1のように、抵抗R0=16[Ω]、インピーダンスZ[Ω]の誘導性負荷(抵抗R[Ω]、誘導性リアクタンスX[Ω])を直列に接続した交流回路がある。正弦波交流電圧E=10√3[V]の電源をこの回路に接続したところ、R0の端子間電圧の大きさ、誘導性負荷の端子間電圧の大きさは、それぞれ10[V]であった。次の(a)及び(b)に答えよ。
(a) 回路に流れる電流をI[A]とすれば、E、R0I、ZIの関係をベクトル図で表すと図2のようになる。電流I[A]の大きさの値と、電圧Eと電流Iの位相差θ[°]の値として、正しいものを組み合わせたのは次のうちどれか。
(1) 1.73 , 15
(2) 1.0 , 30
(3) 1.0 , 45
(4) 0.625 , 30
(5) 0.625 , 45
(b) E、(R0+R)I、XIの関係をベクトル図で表すと図3のようになる。これより、R[Ω]とX[Ω]の値として、最も近いものを組み合わせたのは次のうちどれか。
(1) R=8 , X=8
(2) R=8 , X=13.9
(3) R=14 , X=13.9
(4) R=14 , X=19.8
(5) R=16 , X=50
回答
(4)-(2)
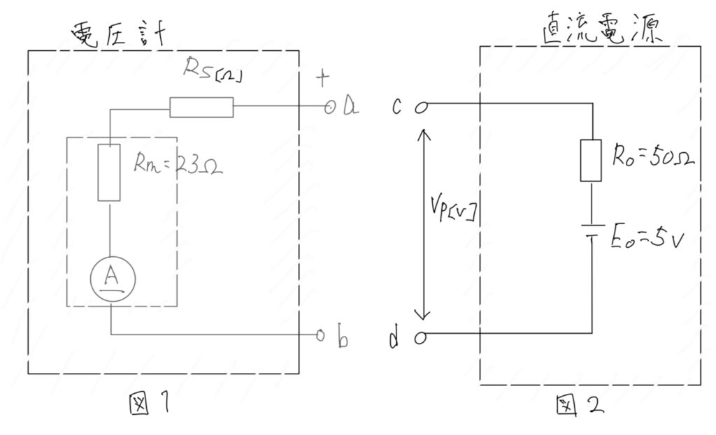
問17:その他

図1のように、定格電流1[mA]、内部抵抗Rm=23[Ω]の電流計と抵抗Rs[Ω]の抵抗器で構成された定格電圧5[V]の電圧計がある。次の(a)及び(b)に答えよ。ただし、電圧計として用いる電流計の目盛0〜1[mA]は、0〜5[V]に読み替えるものとし、電圧計の端子aは正極とする。
(a) この抵抗器のRs[Ω]の値として、正しいのは次のうちどれか。
(1) 4947
(2) 4960
(3) 4977
(4) 5000
(5) 5023
(b) 図2のような電圧E0=5[V]、内部抵抗R0=50[Ω]の直流電源の端子c,dに、この電圧計の端子a,bをそれぞれ接続し、電圧Vp[V]を測定した。電圧計が指示したVp[V]の値として、最も近いのは次のうちどれか。
(1) 4.90
(2) 4.95
(3) 4.97
(4) 5.00
(5) 5.02
回答
(3)-(2)
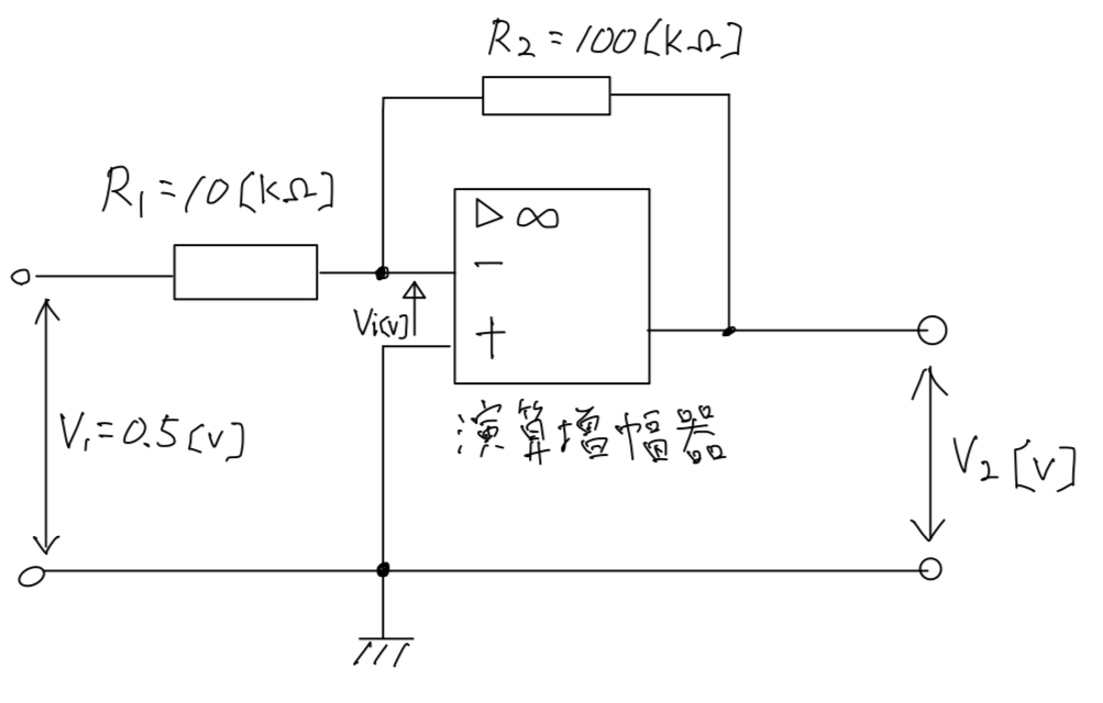
問18:電子回路

図のような演算増幅器を使用した直流回路において、抵抗R1=10[kΩ]、抵抗R2=100[kΩ]である。この回路に入力電圧V1=0.5[V]を加えたとき、次の(a)及び(b)に答えよ。ただし、演算増幅器は理想的な特性を持ち、その入力抵抗及び電圧増幅度は極めて大きく、その出力抵抗は無視できるものとする。
(a) 演算増幅器の二つの入力端子の端子間電圧Vi[V]の値として、正しいのは次のうちどれか。
(1) 0
(2) 0.1
(3) 0.5
(4) 1
(5) 5
(b) 演算増幅器の出力電圧V2[V]の値として、正しいのは次のうちどれか。
(1) −0.05
(2) −0.25
(3) −1
(4) −2.5
(5) −5
回答
(1)-(5)



コメント